四川长江液压件有限责任公司官方网站欢迎您
网站地图
联系我们
四川长江液压件有限责任公司
公司地址:四川省泸州市酒谷大道四段12号
邮  编:646000
行政中心:0830-3589289(办公室)
公司传真:0830-3580394
技术服务:0830-3582331
技术邮箱:cyjszx@163.com
销售热线:0830-3589258/3589333
销售邮箱:cjyyxszx@163.com
物资采购:0830-3589250
物资邮箱:81927902@qq.com
公司网址:www.sccjyy.cn
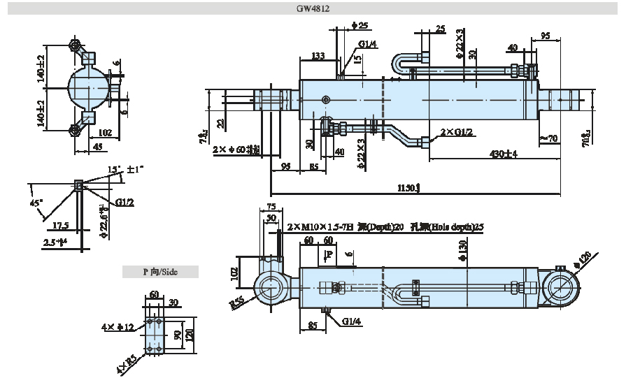
GW系列双作用单杆活塞式挖掘机液压缸
GW系列双作用单杆活塞式挖掘机液压缸

所属分类:湖南液压缸

发布日期:2018/11/13

规格:

类型:

详细介绍

GW系列双作用单杆活塞式挖掘机液压缸,是挖掘机液压系统中作往复直线运动的执行机构。GW系列挖掘机液压缸是近几年我公司研制开发的液压缸新产品。目前已经形成了从4.5吨到120吨级挖掘机液压缸的系列产品,针对挖掘机液压缸高速、高压的特点和吸收国外挖掘机液压缸先进技术,自主开发设计了特有浮动缓冲结构,选用性能可靠的进口密封,缸筒及活塞杆采用合金钢材料和合理的热处理工艺,以提高液压缸的性能和寿命;并对缓冲结构及性能、密封结构及性能等方面进行了集中研究,积累了设计和制造工艺保证经验。GW系列缸工作压力高、性能可靠、装拆方便、易于维修等特点。主要用于液压挖掘机及其它高速、高压液压机械。

1.jpg

2.jpg

3.jpg

4.jpg

5.jpg

6.jpg

7.jpg

8.jpg

9.jpg

11.jpg

本文网址:

关键词: 液压缸;液压缸价格;液压缸批发价

最近浏览:本产品您曾浏览过!